
MRQ2/G自動轉換開關(ATSE),是集開關與邏輯控制于一體,無需外加控制器,真正
實現機電一體化的自動轉換開關,具有電壓檢測、頻率檢測、通訊接口、電氣、機械互鎖
等功能,可實現自動,電動遠程、緊急手動控制。
操作是由邏輯控制板以各種邏輯命令來管理電機、變速箱的操作運行來實現,電機帶動開關彈簧蓄能,瞬間釋放的加速機構,快速接通分斷電路或進行電路轉換,通過明顯可
見狀態實現安全隔離,極大的提高了各項電器性能與機械性能。
MRQ2/G開關整體設計為金屬外殼,小巧堅固。MRQ2/G開關,控制部分為金屬外殼,開關部分采用玻璃纖維不飽和聚脂樹脂制造外殼,有較強的介電性能,防護能力和可靠的操作安全性。
開關適用于供電系統的主電源與備用電源的自動切換或兩臺負載設備的自動切換及安全隔離等
采用雙列復合式觸頭、橫拉式機構、微電機預儲能及微電子控制技術,基本實現零飛弧(無滅弧罩);采用可靠的機械聯鎖和電氣聯鎖,執行元件采用獨立的負荷隔離開關,使用安全可靠;采用過零位技術,緊急情況下可強制置零(同時切斷兩路電源),滿足消防聯運需要;
執行負荷隔離開關切換采用單一電動機驅動,切換可靠平穩、無噪音、沖擊力小;
操作器驅動電機只在執行負荷隔離開關切換瞬間通過電流,穩態工作無需提供工作電流,節能顯著。
執行負荷隔離開關帶有機械聯鎖裝置,保證常用、備用電源工作可靠互不干涉;
操作器驅動電機只在執行負荷隔離開關切換瞬間通過電流,穩定工作無需提供工作電流,
節能顯示。
執行負荷隔離開關帶有機械聯鎖裝置,保證常用、備用電源工作可靠互不干涉;
具有明顯通斷位置指示、掛鎖等功能,可靠實現電源與負載間的隔離;
安全性能好,自動化程度高,可靠性高,使用壽命8000次以上;
機電一體化設計,開關轉換準確、靈活、順暢,采用國際先進的邏輯控制技術,抗干擾能
力強對外無干擾;
具有主電源合、備用電源分;主電源分、備用電源合;主、備電源均斷開三種穩定工作
(I -o-II)安裝方便,控制回路采用接插式端子連接;
四種操作功能;緊急手動操作、電動遠程控制操作、自動控制狀態時緊急斷開操作、自動
控制操作。
MRQ2/G系列自動轉換開關主要用于交流50Hz,額定電壓380V,直流額定電壓220V,額定電流1 6至3200A的配電或電動機網絡中一主一備或互為備用電源切換系統及市電和發電機組的負荷切換。同時可用于不頻繁接通與分斷電路及線路的隔離之用。
產品廣泛應用于消防、醫院、銀行、高層建筑等不允許斷電的重要供電場所的輸、配電系統及自動化系統。
MRQ2/G自動轉換開關在下列條件下能可靠工作:
海拔高度不超過2000米;
環境溫度不高于40℃,不低于-5℃,相對濕度不大于95%:
無爆炸危險介質環境;
無雨雪侵襲環境;
注:若預期使用于周圍空氣溫度高于+40℃或低于-5℃~-45℃的條件下,用戶應向制造廠說明。
| 產品型號 | A | B | C | D | E | F | H | K | L | N | P | R | T | φX | Y | Z |
| MRQ2-20-80/3 | 215 | 120 | 175 | 100 | 70 | 124 | 200 | 85 | 7 | 30 | 30 | 14 | 2.5 | 6 | 38 | 90 |
| MRQ2-20-80/4 | 245 | 120 | 175 | 130 | 70 | 124 | 230 | 85 | 7 | 30 | 30 | 14 | 2.5 | 6 | 38 | 90 |
| MRQ2-20-100/3 | 268 | 135 | 225 | 140 | 85 | 172 | 245 | 110 | 7 | 33 | 36 | 20 | 3.5 | 9 | 56 | 130 |
| MRQ2-20-100/4 | 298 | 135 | 225 | 170 | 85 | 172 | 275 | 110 | 7 | 33 | 36 | 20 | 3.5 | 9 | 56 | 130 |
| MRQ2-250/3 | 310 | 170 | 260 | 180 | 110 | 205 | 285 | 110 | 7 | 38 | 50 | 25 | 3.5 | 11 | 60 | 145 |
| MRQ2-250/4 | 360 | 170 | 260 | 230 | 110 | 205 | 35 | 110 | 7 | 38 | 50 | 25 | 3.5 | 11 | 60 | 145 |
| MRQ2-400/3 | 375 | 240 | 320 | 226 | 160 | 240 | 350 | 180 | 9 | 42 | 65 | 32 | 5 | 11 | 80 | 188 |
| MRQ2-400/4 | 435 | 240 | 320 | 290 | 160 | 240 | 415 | 180 | 9 | 42 | 65 | 32 | 5 | 11 | 80 | 188 |
| MRQ2-630/3 | 375 | 260 | 320 | 225 | 160 | 240 | 350 | 180 | 9 | 42 | 65 | 40 | 6 | 13 | 80 | 188 |
| MRQ2-630/4 | 435 | 260 | 320 | 290 | 160 | 240 | 415 | 180 | 9 | 42 | 65 | 40 | 6 | 13 | 80 | 188 |
| MRQ2-1000/3 | 505 | 312 | 370 | 378 | 200 | 295 | 470 | 220 | 11 | 50 | 120 | 60 | 8 | 13 | 108 | 250 |
| MRQ2-1000/4 | 625 | 312 | 370 | 498 | 200 | 295 | 590 | 220 | 11 | 50 | 120 | 60 | 8 | 13 | 108 | 250 |
| MRQ2-1250/3 | 505 | 356 | 370 | 378 | 200 | 295 | 470 | 220 | 11 | 50 | 120 | 80 | 8 | 13 | 108 | 250 |
| MRQ2-1250/4 | 625 | 356 | 370 | 498 | 200 | 295 | 590 | 220 | 11 | 50 | 120 | 80 | 8 | 13 | 108 | 250 |
| MRQ2-1600/3 | 505 | 356 | 370 | 378 | 200 | 295 | 470 | 220 | 11 | 50 | 120 | 80 | 10 | 13 | 108 | 250 |
| MRQ2-1600/4 | 625 | 356 | 370 | 498 | 200 | 295 | 590 | 220 | 11 | 50 | 120 | 80 | 10 | 13 | 108 | 250 |
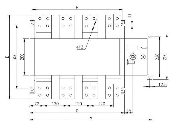
| 產品型號 | A | B | D | H |
| MRQ2-2000/3 | 520 | 460 | 378 | 350 |
| MRQ2-2000/4 | 640 | 460 | 498 | 470 |
| MRQ2-2500/3 | 520 | 460 | 378 | 350 |
| MRQ2-2500/4 | 640 | 460 | 498 | 470 |
| MRQ2-3200/3 | 520 | 510 | 378 | 350 |
| MRQ2-3200/4 | 640 | 510 | 498 | 470 |
1、基本型接插端子圖
注:消防無源一開點接202、204端子
